

Poniżej przedstawione zostały cztery rozwiązania zespołów z różnymi filtrami.
I
Zespół z głośnikiem wysokotonowym dołączonym przez kondensator
Głośnik wysokotonowy przenosi częstotliwości, których głośnik podstawowy (nisko- średniotonowy) skutecznie nie może przenieść. We wzorze "f" oznacza dolną częstotliwość graniczną dla głośnika wysokotonowego (spadek przekazanej mocy o 3 dB). Ze względu na to, że głośnik ma także składową indukcyjną, obliczoną pojemność należy zmniejszyć o około 30-40% i efekt sprawdzić doświadczalnie.
II
Zwrotnica prądowa 6 dB/okt
Filtr taki jest często stosowany i daje dobre efekty w zespołach małej i średniej mocy. Stosując dwa głośniki o jednakowej efektywności ustala się częstotliwość podziału "f" i oblicza obie gałęzie układu. Wówczas moc przenoszona przez filtr powinna być teoretycznie stała, ponieważ przy częstotliwości podziału f napięcie na każdym z głośników maleje o 3 dB co oznacza, że moc pobierana przez głośnik wynosi 50% mocy w paśmie przepustowym. Należy dodać, że obydwa głośniki powinny mieć jak najbardziej zbliżoną efektywność i jednakową rezystancję cewki.
W praktyce wprowadza się pewne korekty. Zmniejszenie pojemności kondensatora zasygnalizowano powyżej. Natomiast wartość indukcyjności L najlepiej jest dobrać doświadczalnie, bowiem głośnik ma określoną składową indukcyjną. Wskazanym jest aby po obliczeniu indukcyjności wykonać cewkę z odczepami na ok. 15 i 30% od końca a także dodatkowo dowinąć uzwojenie z odczepami zwiększając indukcyjność również o 15 i 30 % i dobrać podłączenie głośnika eksperymentalnie (na ostateczny wynik wpływ mają parametry głośnika oraz rodzaj i parametry obudowy.
III
Zwrotnica prądowa 6/12 dB/okt
W zespołach głośnikowych o większej mocy (25...40W) głośnik wysokotonowy, w szczególności głośnik kopułkowy, może ulec przeciążeniu przy doprowadzeniu do niego sygnału z zakresu średniotonowego o zbyt dużej mocy. Można temu zapobiec stosując filtr górnoprzepustowy o nachyleniu zbocza charakterystyki równym 12 dB/okt. Dodatkowo można zastosować rezystor 2-4 Ohm szeregowo z kondensatorem. Rezystor może wyrównać charakterystykę całego zespołu przy głośniku wysokotonowym o zdecydowanie większej sprawności aniżeli głośnik niskotonowy.
Jako przykład może posłużyć następujące rozwiązanie:
| głośnik niskotonowy N | GDN 16/12, 8 Ohm x 2 szt (ew. GDN 16/15, 8 Ohm x 2 szt) | ||||
| głośnik wysokotonowy W | GDWK 9/40, 4 Ohm | ||||
| cewka L | 0,6 mH | ||||
| cewka L2 | 0,2 mH | ||||
| kondensator C | 4,7 uF | ||||
| dodatkowy rezystor | 2-6 Ohm |
Jako częstotliwość podziału przyjęto 5 kHz. Całkowita moc zestawu wynosi w zależności od głośników niskotonowych 30-40 W.
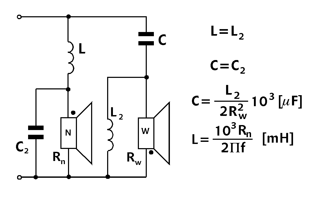
IV
Zwrotnica prądowa 12 dB/okt
Poniżej przedstawiono typowy filtr o nachyleniu zboczy 12 dB/okt w obydwu gałęziach. Zbudowany filtr powinien mieć zbadaną charakterystykę, gdyż niewłaściwie dobrane wartości elementów zwrotnicy mogą spowodować spadek impedancji wejściowej zespołu znacznie mniejszej od teoretycznej, równej impedancji stosowanych głośników (obydwa głośniki powinny mieć jednakową wartość impedancji). Ponadto, przy częstotliwości podziału, fazy napięcia na głośnikach są wzajemnie przesunięte o 180o, co wymaga odwrotnego przyłączenia jednego z głośników.